机械军工行业工程设计资质标准(2022年新版)


标 准
(一)工程设计综合资质
资信能力
(1)具有独立企业法人资格。
(2)净资产6000万元以上。
(3)具有1个以上行业甲级资质。
(4)近3年上缴工程勘察设计增值税每年1500万元以上。
主要人员
(1)主要技术负责人应当具有大学本科以上学历、注册执业资格或者高级专业技术职称、15年以上工程设计经历,且在近10年作为项目负责人主持过大型项目工程设计2项以上。
(2)具有一级注册建筑师、勘察设计注册工程师执业资格(二级注册结构工程师除外),或者勘察设计类工程系列高级专业技术职称的人员150人以上,其中具有一级注册建筑师、勘察设计注册工程师(二级注册结构工程师除外)执业资格的人员30人以上。
工程业绩
近10年独立完成过大型项目工程设计6项以上,且已建成投产。
科技水平
(1)拥有与工程设计有关的专利3项以上;或者近10年使用正向建筑信息模型(BIM)或者数字化工厂(DF)技术完成从方案设计到施工图设计的中型以上项目工程设计3项以上,且已建成投产。
(2)近3年科技活动经费支出每年达到营业收入的3%以上。
(3)近10年主编过2项或者参编过5项以上工程勘察设计类国家、行业工程建设标准、规范。
(二)工程设计行业资质
工程设计行业甲级
资信能力
(1)具有独立企业法人资格,或者是依照《中华人民共和国合伙企业法》成立的普通合伙企业。
(2)净资产600万元以上,或者合伙企业出资额600万元以上。
(3)近3年上缴工程勘察设计增值税每年200万元以上。
主要人员
(1)主要技术负责人应当具有大学本科以上学历、注册执业资格或者高级专业技术职称、10年以上工程设计经历,且在近10年作为项目负责人主持过所申请行业大型项目工程设计2项以上。
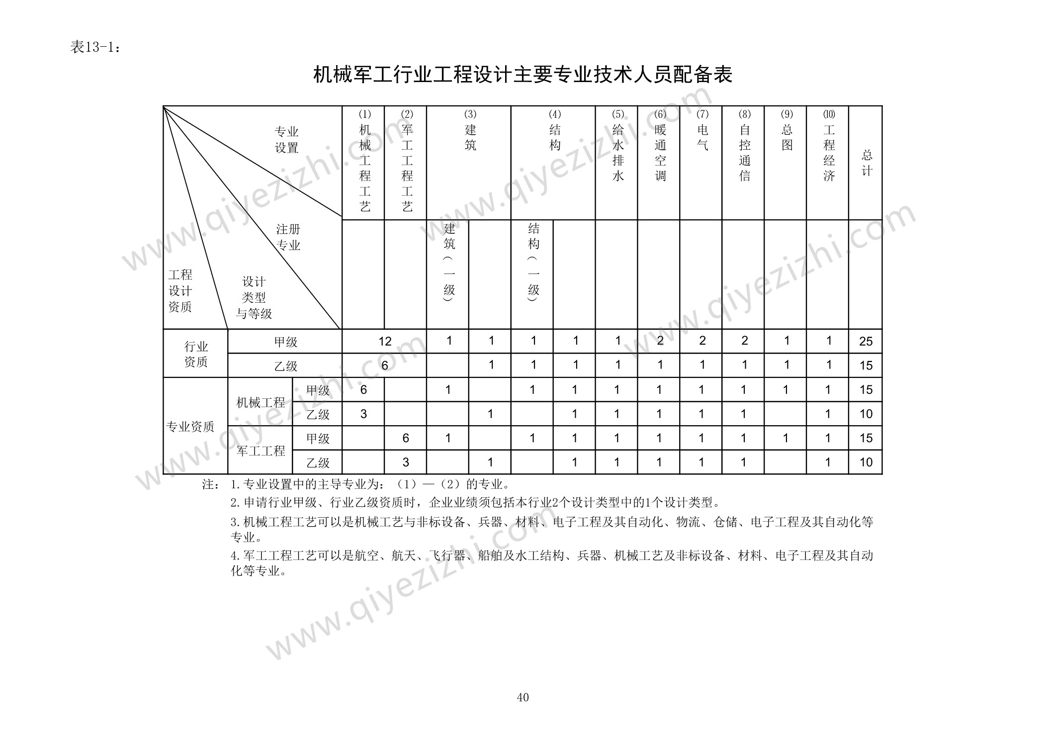
(2)主要专业技术人员数量满足所申请行业资质标准中主要专业技术人员配备表规定的要求。
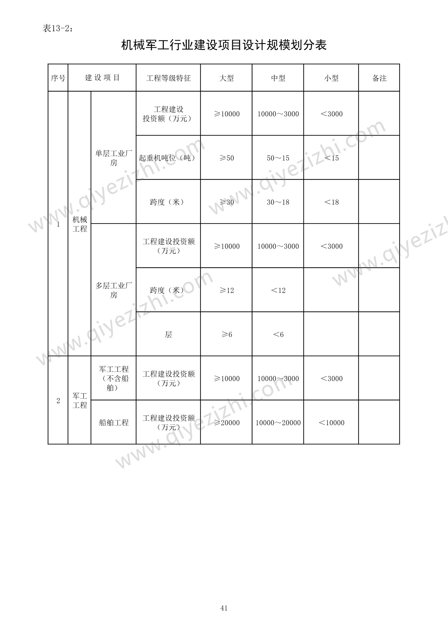
(3)在主要专业技术人员配备表规定的人员中,主导专业的注册人员、非注册人员应当在近10年作为专业技术负责人或者项目负责人主持过所申请行业中型以上项目工程设计3项以上。除申请民航行业甲级资质外,其中每个主导专业应有1名专业技术人员在近10年作为专业技术负责人或者项目负责人主持过所申请行业大型项目工程设计2项以上。
工程业绩
近10年独立完成过的工程设计项目应当满足相应工程设计类型考核要求,且每个设计类型的业绩应为大型项目工程设计1项以上或者中型项目工程设计2项以上,并已建成投产。
工程设计行业乙级
资信能力
(1)具有独立企业法人资格,或者是依照《中华人民共和国合伙企业法》成立的普通合伙企业。
(2)净资产300万元以上,或者合伙企业出资额300万元以上。
(3)近3年上缴工程勘察设计增值税每年50万元以上。
主要人员
(1)主要技术负责人应当具有大学本科以上学历、注册执业资格或者高级专业技术职称、10年以上工程设计经历,且在近10年作为项目负责人主持过所申请行业中型以上项目工程设计3项以上。
(2)主要专业技术人员数量满足所申请行业资质标准中主要专业技术人员配备表规定的要求。
(3)在主要专业技术人员配备表规定的人员中,主导专业的注册人员、非注册人员应当在近10年作为专业技术负责人或者项目负责人主持过所申请行业中型以上项目工程设计2项以上。
工程业绩
除申请民航行业乙级资质外,近10年独立完成过的工程设计项目应满足相应工程设计类型考核要求,且每个设计类型的业绩应为中型以上项目工程设计1项以上,并已建成投产。
(三)工程设计专业资质
工程设计专业甲级
资信能力
(1)具有独立企业法人资格,或者是依照《中华人民共和国合伙企业法》成立的普通合伙企业。
(2)净资产300万元以上,或者合伙企业出资额300万元以上。
(3)近3年上缴工程勘察设计增值税每年50万元以上。
主要人员
(1)主要技术负责人应当具有大学本科以上学历、注册执业资格或者高级专业技术职称、10年以上工程设计经历,且在近10年作为项目负责人主持过所申请专业大型项目工程设计2项以上。
(2)主要专业技术人员数量满足所申请专业资质标准中主要专业技术人员配备表规定的要求。
(3)在主要专业技术人员配备表规定的人员中,主导专业的注册人员、非注册人员应当在近10年作为专业技术负责人或者项目负责人主持过所申请专业中型以上项目工程设计3项以上,其中,每个主导专业应有1名专业技术人员在近10年作为专业技术负责人主持过所申请专业大型项目工程设计2项以上。
工程业绩
近10年独立完成过的所申请专业中型以上项目工程设计2项以上,并已建成投产。
工程设计专业乙级
资信能力
(1)具有独立企业法人资格,或者是依照《中华人民共和国合伙企业法》成立的普通合伙企业。
(2)净资产100万元以上,或者合伙企业出资额100万元以上。
主要人员
(1)主要技术负责人应当具有大学本科以上学历、注册执业资格或者中级专业技术职称、10年以上工程设计经历,在近10年作为项目负责人主持过所申请专业工程设计3项以上。
(2)主要专业技术人员数量满足所申请专业资质标准中主要专业技术人员配备表规定的要求。
(3)在主要专业技术人员配备表规定的人员中,主导专业的注册人员、非注册人员应当在近10年作为专业技术负责人或者项目负责人主持过所申请专业项目工程设计2项以上。




